Welcome to visit Wuhan Kaiyuan New Energy Electric Group!

Email

jackson.lee@kyxn.cc

choose

language

JDZXF9-35G

Send Inquiry
Description
Argument
Products Description

type description.png

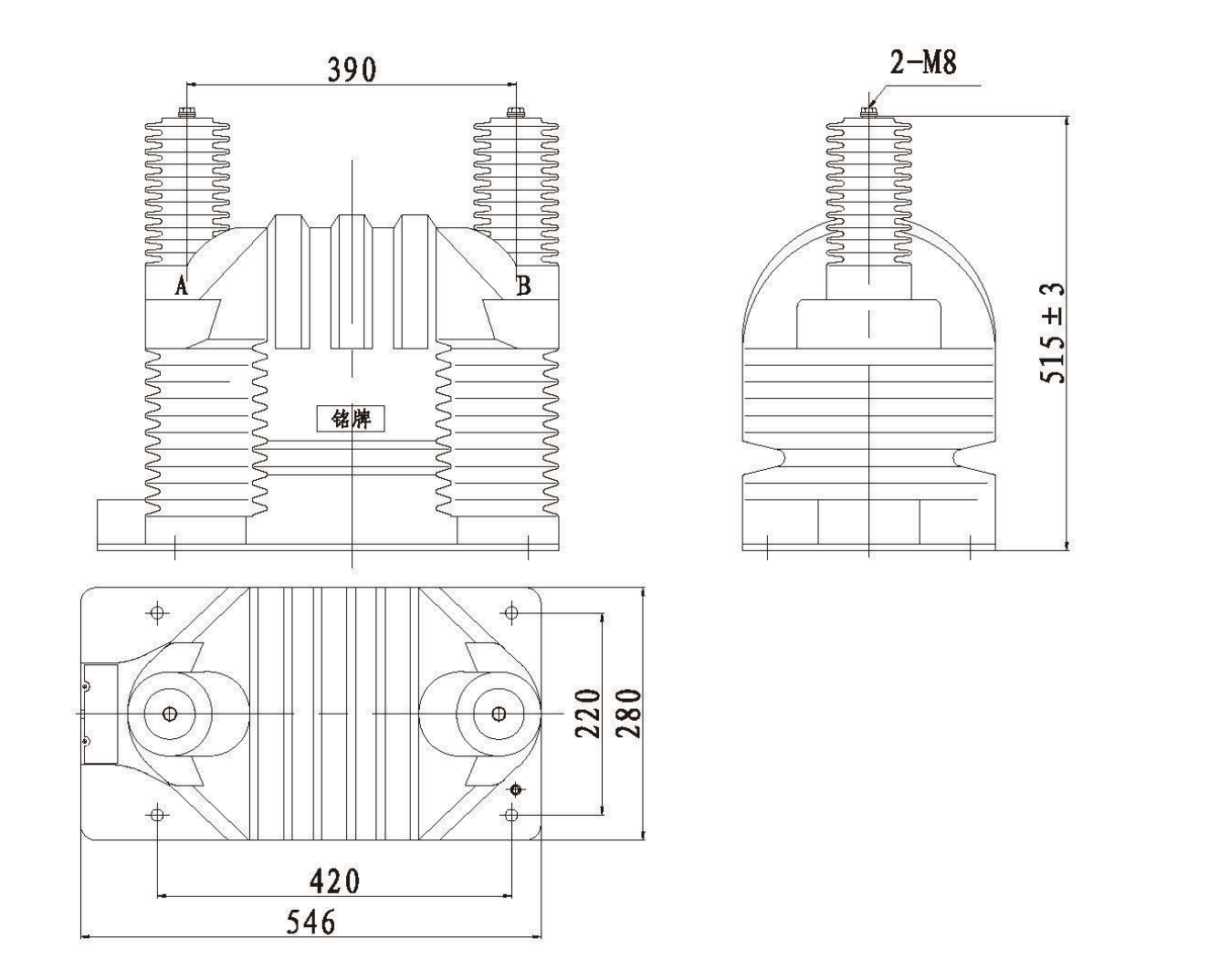
outline drawing.png


Tags:

Technical parameter

technical data.png


Leave Your Message


Leave a message